KONTROL LENGAN ROBOT 4 SERVO MENGGUNAKAN APLIKASI VIA BLUETOOTH
Kinara Jongga Varga1,
Latifah Wijayanti2, Melianti Dwi Syafitri3, Wahyu Robiah
A.4, Samuel Beta K.5
Prodi Teknik Elektronika
Jurusan Teknik Elektro Politeknik Negeri Semarang
Jl. Prof. H. Soedarto,
SH, Tembalang, Semarang, 50275
E-mail : 1kinarajong23@gmail.com, 2latifahw8@gmail.com,
3meliantids@gmail.com,
4wahyurobiahaladaw@gmail.com,
5sambetak2@gmail.com
Abstrak – Kontrol Lengan Robot 4 Servo
Menggunakan Aplikasi Via Bluetooth
adalah sebuah alat pengontrol lengan robot berdasarkan pergerakan dari motor
servo yang dapat di kontrol secara nirkabel menggunakan Smartphone android sebagai pengontrolnya. Modul Bluetooth digunakan sebagai perantara
antara mikrokontroller Arduino dengan Smartphone.
Pengguna dapat menggerakkan lengan robot sesuai keinginan menggunakan perintah
secara nirkabel melalui tampilan slider
atau dapat memilih menu yang tersedia untuk memindah suatu benda ke tempat yang
sudah ditentukan melalui Smartphone.
Kata
Kunci : Arduino, Android, Robot Arm, Motor Servo, Bluetooth
Abstract – Robot Arm 4
Servo Control Using Aplication Via Bluetooth is a robot arm controller based on
the movement of servo motors that can be controlled wirelessly using the
android Smartphone as its controller. Bluetooth module is used as the
intermediary between Arduino microcontroller with Smartphone. Users can move
the robot arm in accordance with the desire to use commands wirelessly through
the slider or choose the menu that available for moving something to the place
that has been determined from the Smartphone.
Keywords : Arduino, Android, Robot Arm, Motor
Servo, Bluetooth
I
PENDAHULUAN
Saat ini hampir semua kegiatan manusia dipermudah dengan penggunaan teknologi yang memang dibuat untuk meringankan tugas manusia. Manusia semakin dimanjakan dengan pesatnya perkembangan teknologi. Teknologi dapat membantu manusia memindahkan benda dari satu tempat ke tempat lain dengan mudah dan efisien. (Ghiet & Baba,
2017)
Salah satu contoh dari kemajuan teknologi yang juga menguntungkan bagi kehidupan manusia adalah dengan adanya ponsel pintar yang awalnya hanya digunakan sebagai alat komunikasi. Kemudahan yang didapat manusia dari ponsel pintar ini adalah adanya sejumlah aplikasi yang mendukung kontrol alat secara nirkabel.
Pada pembuatan lengan robot yang sebelumnya, memiliki kelemahan yaitu tidak dapat dijalankan secara otomatis. Oleh karena itu dibuatlah Kontrol Lengan Robot 4 Servo Menggunakan Aplikasi Via Bluetooth yang dapat dijalankan secara otomatis. Sehingga didapatkan keefisienan dalam pemindahan barang.
Alat ini menggunakan 4 servo sebagai sendinya, masing-masing servo memiliki tugas yang berbeda. Servo 1 sebagai base yang berfungsi sebagai penggerak lengan dari arah kanan ke kiri atau sebaliknya. Servo 2 Sebagai penggerak naik dan turun lengan robot. Servo 3 sebagai penggerak naik turun dari penjepit lengan robot. Sedangkan servo 4 sebagai penjepit benda.(Muhammad, Bagaskara, Pradana, Suryana, & Beta, 2018)
Pada pembuatan lengan robot yang sebelumnya, memiliki kelemahan yaitu tidak dapat dijalankan secara otomatis. Oleh karena itu dibuatlah Kontrol Lengan Robot 4 Servo Menggunakan Aplikasi Via Bluetooth yang dapat dijalankan secara otomatis. Sehingga didapatkan keefisienan dalam pemindahan barang.
Alat ini menggunakan 4 servo sebagai sendinya, masing-masing servo memiliki tugas yang berbeda. Servo 1 sebagai base yang berfungsi sebagai penggerak lengan dari arah kanan ke kiri atau sebaliknya. Servo 2 Sebagai penggerak naik dan turun lengan robot. Servo 3 sebagai penggerak naik turun dari penjepit lengan robot. Sedangkan servo 4 sebagai penjepit benda.(Muhammad, Bagaskara, Pradana, Suryana, & Beta, 2018)
1.2 Perumusan Masalah
Dari identifikasi yang ada, dapat ditarik beberapa rumusan masalah, yaitu :
1.3 Tujuan- Bagaimana mempermudah memindahkan objek dari satu tempat ke tempat lain untuk membantu manusia secara efisien dan efektif secara nirkabel?
- Bagaimana cara memrogram perangkat yang dapat mengatur 4 motor servo yang diaplikasikan dalam lengan robot?
- Bagaimana cara mengendalikan alat secara nirkabel melalui jaringan komunikasi Bluetooth?
- Bagaimana cara membuat aplikasi pada ponsel pintar untuk mengatur 4 motor servo bergerak secara manual maupun otomatis?
Adapun tujuan yang ingin dicapai dalam pembuatan proyek Arduino ini adalah sebagai berikut :
- Dapat membuat suatu alat yang dapat memindahkan suatu objek dari satu tempat ke tempat lain secara nirkabel dengan bantuan modul bluetooth dan sistem mikrokontroler Arduino UNO menjadi lengan robot yang dapat dioperasikan secara otomatis maupun manual.
- Dapat memrogram alat yang dapat mengatur 4 servo yang diaplikasikan dalam lengan robot.
- Dapat mengendalikan alat melalui jaringan komunikasi Bluetooth.
- Dapat membuat aplikasi pada ponsel pintar untuk mengatur secara manual maupun otomatis.
II
TINJAUAN PUSTAKA
Untuk mengetahui berbagai komponen dan peralatan yang dibutuhkan, maka disusunlah tinjauan pustaka sebagai acuan dalam merancang dan membuat aplikasi menggunakan mikrokontroller Arduino.
2.1 Arduino Uno
Gambar 2.1 Arduino Uno
2.2 Motor Servo
Gambar 2.2 Motor servo
2.3 Modul Bluetooth HC-05
Gambar 2.3 modul bluetooth HC-05
III
PERANCANGAN ALAT
3.1 Perangkat Keras dan Rangkaian Elektronika
Komponen yang digunakan dalam pembuatan alat kontrol lengan 4 servo menggunakan aplikasi via Bluetooth ini diantaranya :
- Modul Bluetooth HC-05
- Mikrokontroller Arduino Uno
- Motor Servo SG90 dan MG90
- Rangkaian catu daya 12 volt dan 5 volt
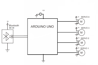
Gambar 3.1 Diagram blok
Berikut keterangan singkat dari gambar diagram blok diatas:
- Ponsel pintar android digunakan sebagai masukan untuk mengirim perintah kendali 4 motor servo.
- Bluetooth HC-05 digunakan sebagai media perantara yang menghubungkan motor servo dengan APK pada ponsel pintar sehingga dapat mengirimkan data melalui jaringan nirkabel mikrokontroller Arduino UNO digunakan untuk memroses data masukan berupa kontrol sudut atau gerak maupun kontrol otomatis 4 motor servo.
- Mikrokontroller Arduino UNO digunakan untuk memroses data masukkan dari ponsel pintar, kemudian memroses dan mengirimkan data tersebut melalui Bluetooth sehingga dapat ditampilkan data pada aplikasi android dan ke luaran.
- Motor servo digunakan sebagai luaran setelah mendapat perintah kendali dari ponsel pintar yang dapat menggerakkan lengan robot.
Gambar 3.2 Diagram Alir
3.4 Gambar Rangkaian
Gambar 3.3 Gambar Rangkaian
3.5 Gambar Simulasi Proteus
Gambar 3.4 Gambar Simulasi Proteus
3.6 Gambar Pengawatan
Gambar 3.5 Gambar Pengawatan
3.7 Cara Kerja AlatCara kerja modul ini yaitu dengan menggunakan ponsel pintar. Dengan cara pertama-tama pengguna harus menginstal aplikasi “Arduino Kelompok 4” untuk memproses sensor bluetooth. Setelah aplikasi terinstal lalu pengguna membuka aplikasi tersebut dan sebelumnya pastikan bluetooth pada ponsel dalam keadaan aktif. Pada tampilan menu awal tekan bagian logo ‘POLINES’ pada aplikasi lalu pilih bluetooth sensor HC-05 yang akan di hubungkan. Setelah itu maka akan tulisan ‘Connected’ akan berubah warna menjadi biru yang sebelumnya berwarna merah. Terdapat tampilan menu yaitu Slider Biru untuk mengontrol motor servo 1 dengan sudut 0-180, Slider Hijau untuk mengontrol motor servo 2 dengan sudut 10-100, , Slider Kuning untuk mengontrol motor servo 3 dengan sudut 75-180, Slider Merah untuk mengontrol motor servo 4 dengan sudut 50-140. Terdapat juga dua pilihan ‘A->B’ dan ‘B->A’ untuk menggerakkan lengan robot secara otomatis.
Untuk menggerakkan lengan robot, pengguna dapat mengatur pergerakan motor servo dengan cara menggeser slider Biru untuk menggerakkan bagian dasar lengan robot yang digerakkan dengan motor servo 1, Slider Hijau untuk menggerakkan bagian siku lengan robot yang digerakkan dengan servo 2, Slider Kuning untuk menggerakkan bagian pergelangan tangan robot yang digerakkan dengan servo 3, Slider Merah untuk menggerakkan bagian tangan penjepit robot yang digerakkan dengan servo 4. Dapat pula dengan menekan pilihan ‘A->B’ dan ‘B->A’ untuk menggerakkan lengan robot secara otomatis.
3.8 Tampilan APK Android
Gambar 3.6 Tampilan APK Android
IV
PENUTUP
4.1 Kesimpulan
Setelah melakukan percobaan, pengambilan data, dan penganalisaan terhadap data yang telah didapat pada penelitian ini, maka didapatkan kesimpulan sebagai berikut :
- Pengontrol lengan robot dapat dilakukan menggunakan motor servo dan diproses dengan mikrokontroller Arduino.
- Masukan dari ponsel pintar melalui media komunikasi bluetooth diproses sesuai dengan program yang telah dituliskan pada arduino yang bertujuan untuk mengontrol lengan robot secara manual maupun secara otomatis.
- Aplikasi “Arduino Kelompok 4” yang telah dibuat dan digunakan sebagai antarmuka pada ponsel pintar android dibuat dengan aplikasi App Inventor yang bertujuan mempermudah pengiriman penyalinan data
REFERENSI
Ghiet, A. M. A., &
Baba, A. (2017). Robot Arm Control with Arduino. University of Turkish
Aeronautical Association, (June).
https://doi.org/10.13140/RG.2.2.10227.53286
Guangzhou HC Information
Technology Co. Ltd., & Mok, S. (2011). HC06 Product Data Sheet, (13), 17.
Retrieved from
https://www.olimex.com/Products/Components/RF/BLUETOOTH-SERIAL-HC-06/resources/hc06.pdf
Muhammad, A., Bagaskara,
W., Pradana, H. A., Suryana, I., & Beta, S. (2018). Kontrol Lengan Robot 4
Servo Menggunakan Aplikasi Via Bluetooth, 1, 7. Retrieved from
http://belajar-mikrokontroler2017.blogspot.com/2018/01/kontrol-lengan-robot-4-servo.html
Simon Monk. (2013).
Arduino Lesson 14. Servo Motors. Adafruit Learning System, 14. https://doi.org/10.1111/j.1439-0531.2012.02018.x
Video
LAMPIRAN
PROGRAM
APLIKASI ANDROID
DIAGRAM BLOK
POWER POINT
DIAGRAM PENGAWATAN
DIAGRAM RANGKAIAN
JURNAL
DIAGRAM ALIR
Biodata Penulis
Nama penulis Kinara Jongga Varga. Penulis dilahirkan di Semarang tanggal 23 Agustus 1998. Penulis telah menempuh pendidikan formal di SDN 06 Ungaran, SMPN 1 Ungaran, dan SMK Penerbangan Semarang. Pada tahun 2016 penulis mengikuti seleksi mahasiswa baru diploma (D3) dan diterima menjadi mahasiswa baru diploma (D3) di kampus Politeknik Negeri Semarang dengan Program Studi D3 Teknik Elektronika, Jurusan Teknik Elektro. Penulis terdaftar dengan NIM 3.32.16.0.11. Apabila ada kritik, saran, dan pertanyaan mengenai penelitian ini, bisa menghubungi melalui email: kinarajong23@gmail.com
Nama penulis Latifah Wijayanti. Penulis dilahirkan di Semarang tanggal 24 Februari 1998. Penulis telah menempuh pendidikan formal di SDN Palebon 01 Semarang, SMPN 14 Semarang, dan SMAN 2 Semarang. Pada tahun 2016 penulis mengikuti seleksi mahasiswa baru diploma (D3) dan diterima menjadi mahasiswa baru diploma (D3) di kampus Politeknik Negeri Semarang dengan Program Studi D3 Teknik Elektronika, Jurusan Teknik Elektro. Penulis terdaftar dengan NIM 3.32.16.0.12. Apabila ada kritik, saran, dan pertanyaan mengenai penelitian ini, bisa menghubungi melalui email: latifahw8@gmail.com
Nama penulis Melianti Dwi Syafitri. Penulis dilahirkan di Tangerang tanggal 03 Mei 1998. Penulis telah menempuh pendidikan formal di SD Muhammadyah 01 Palembang , SMPN 45 Palembang, dan SMAN 09 Semarang. Pada tahun 2016 penulis mengikuti seleksi mahasiswa baru diploma (D3) dan diterima menjadi mahasiswa baru diploma (D3) di kampus Politeknik Negeri Semarang dengan Program Studi D3 Teknik Elektronika, Jurusan Teknik Elektro. Penulis terdaftar dengan NIM 3.32.16.0.13. Apabila ada kritik, saran, dan pertanyaan mengenai penelitian ini, bisa menghubungi melalui email: meliantids@gmail.com
Nama penulis Wahyu
Robiah Al Adawiyah . Penulis dilahirkan di Kendal tanggal 30 Desember 1997.
Penulis telah menempuh pendidikan formal di SD N Wonosari , Kec Pegandon , Kab
Kendal , SMPN 1 Pegandon , dan SMAN 1 Cepiring . Pada tahun 2016 penulis
mengikuti seleksi mahasiswa baru diploma (D3) dan diterima menjadi mahasiswa
baru diploma (D3) di kampus Politeknik Negeri Semarang dengan Program Studi D3
Teknik Elektronika, Jurusan Teknik Elektro. Penulis terdaftar dengan NIM
3.32.16.0.22 . Apabila ada kritik, saran, dan pertanyaan mengenai penelitian
ini, bisa menghubungi melalui email: wahyurobiahaladaw@gmail.com











0 komentar:
Posting Komentar